

400 6626 286
1产品描述:
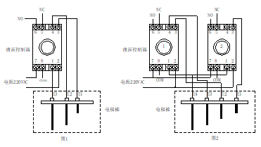
电极式液位开关MX-WW-144-11原理简单:利用探杆与探杆之间导通引起的继电器变化从而起到测量控制效果。如图1所示,在液位低于电极棒电极E3时,液面控制器通电后WATER-SUPPLY指示灯亮,NO—COM接点导通,NC—COM接点断开,当液位上升到E1时,drainage指示灯亮,NO—COM接点断开,NC—COM接点导通;液位由E1向下下降后,当液位下降到低于E2时,drainage指示灯灭,NO—COM接点导通,NC—COM接点断开。此时完成一个控制循环
2应用领域:
☛液位测量与控制楼宇自控、恒压供水
☛石化、环保、石油
☛液压及气动控制系统
☛制药、食品行业
☛自动控制和检测系统
☛液体灌、污水池、油池
☛废水处理设备母液罐
3产品特点:
☛ 适用于控制任何导电液体的液面(禁止使用于挥发性液体)
☛ 具有突波保护装置,可有效防止突波干扰
☛ 电极头使用低交流电压,可避免电解作用,并可延长寿命
☛ 具有两个指示灯,可指示供水及排水状态
☛ 可做多点控制,控制位置可由使用者需要订制
☛ 整体性能可靠、有SUS304、SUS316L、钛合金等材质可供选择。

4原理示意:
5技术规格:
型号说明: | MX-WW-144-011 |
量程范围: | 0-5000MM以内可以选择 |
触点容量: | 250VAC;5A 电阻型负载 |
供电电源: | 220VAC(E1代码) |
输出信号: | 开关继电器信号:常开和常闭(代码C0) |
控制点位: | 1-5个报警点控制(1个报警点就是L1), |
工作寿命: | 机械5000000次,电气100000次(额定容量内) |
工作压力: | 1.0~3.0MPa |
工作温度: | SUS:-10~80℃ |
测量介质: | 液体 |
产品材质: | SUS304(30A)/SUS316(30B)/,2205材质(30B2)/钛合金探杆(30C) |
安装方式: | 常规法兰DN25,DN50(PN10)连接,其他安装:卡盘连接:外径64mm, |
防爆等级: | ExiaⅡCT6 |
6订购指南:
型号 | 量程(米) | 供电 | 输出信号 | 报警点 | 安装方式 | 探杆材质 |
MX-WW-144-11 | 1米 | 220VAC | 开关量 | 2个 | DN50 | 316L |
订货举例: MX-WW-144-11-1M-E1-C0-L2-DN50-30B | ||||||
7.特别提醒:
如有不懂选型请咨询销售工程师,或者当地经销商。
公司名称:上海美续测控技术有限公司
办公地址:上海松江区小昆山镇国家经济开发区中德路 860 号 6 幢
联系电话:021-67881626
公司网址:www.shmxck.com 、详细说明请参照使用说明