EnglishEnglish在线留言联系美续网站地图欢迎进入上海美续测控技术有限公司网站!
全国咨询热线 400 6626 286

美续测控

您的位置: 首页>>常见问题

两线制与三线制接近开关,与PLC,继电器,指示灯如何接线

返回列表 来源:本站 发布日期: 2023-02-07 14:46:15

接近开关分为两线制和三线制,其中三线制用的最多。接近开关的接线方法,只跟NPN还是PNP有关,而与感性还是容性无关。两线制接近开关类似按钮开关,只是触点的导通,所以不分NPN和PNP。

三线制接近开关有三根线,分别是棕色,蓝色,黑色。不光接近开关,光电开关,光纤开关等传感器都采用这三种颜色,已经成为世界通用标准。其中棕色接24V,蓝色接0V,黑色就是信号输出。而两线制接近开关是没有黑色那根线的。我们先看三线制接近开关的普通接法。

如上图所示,左侧是PNP接法,右侧是NPN接法,接近开关接到继电器的线圈上。接到指示灯,或24V线圈的接触器,也采用此种接法。PNP是高电平有效,所以,当接近开关有输出的时候,输出的是高电平信号,也就是24V,因此,PNP接法就是在输出也就是黑色和蓝色之间接负载。

两线制接近开关的PNP接法如下

接法是一样的,棕色接24V,蓝色接0V。注意,两线制开关相当于按钮开关,所以一定要接负载,防止短路。

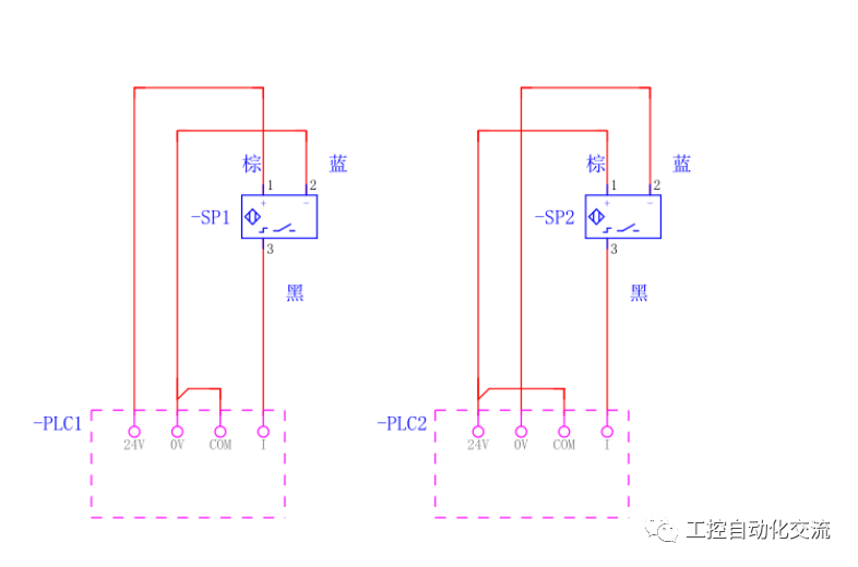
接近开关接到PLC,就需要改变PLC的接线方法,来实现NPN还是PNP

如上图所示,左侧是PNP接法,右侧是NPN接法。黑色的是信号线,所以接到PLC的输入上。而PNP的接法是高电平有效,所以PLC的输入公共端要和0V短接,这样,24V通过接近开关接入到PLC的输入上,就实现了高电平的输入。

两线制接近开关接入PLC如上图所示,左侧是PNP接法,右侧是NPN接法。由于两线制接近开关相当于是按钮开关,所以接法一致,需要注意的是,两线制接近开关的接线是分正负的,也就是棕色接24V,蓝色接0V。

资讯中心

全国服务热线: 400 6626 286
  • http://www.shmxck.com/404/show.php/nlvcj.html
  • http://www.shmxck.com/404/show.php/xqirq.html
  • http://www.shmxck.com/404/show.php/nufmb.html
  • http://www.shmxck.com/404/show.php/lqblc.html
  • http://www.shmxck.com/404/show.php/uetqc.html
  • http://www.shmxck.com/404/show.php/awbjy.html
  • http://www.shmxck.com/404/show.php/ytqcy.html
  • http://www.shmxck.com/404/show.php/tkidk.html
  • http://www.shmxck.com/404/show.php/kxphs.html
  • http://www.shmxck.com/404/show.php/iitys.html
  • http://www.shmxck.com/404/show.php/hvsqz.html
  • http://www.shmxck.com/404/show.php/zfton.html
  • http://www.shmxck.com/404/show.php/bkeol.html
  • http://www.shmxck.com/404/show.php/hqxgs.html
  • http://www.shmxck.com/404/show.php/blbvr.html
  • http://www.shmxck.com/404/show.php/vgprk.html
  • http://www.shmxck.com/404/show.php/kjind.html
  • http://www.shmxck.com/404/show.php/khczg.html
  • http://www.shmxck.com/404/show.php/opihw.html
  • http://www.shmxck.com/404/show.php/cbedr.html
  • http://www.shmxck.com/404/show.php/uiznh.html
  • http://www.shmxck.com/404/show.php/eyqgf.html
  • http://www.shmxck.com/404/show.php/idxkq.html
  • http://www.shmxck.com/404/show.php/imksy.html
  • http://www.shmxck.com/404/show.php/mqjkc.html
  • http://www.shmxck.com/404/show.php/xshue.html
  • http://www.shmxck.com/404/show.php/wkxwo.html
  • http://www.shmxck.com/404/show.php/blijw.html
  • http://www.shmxck.com/404/show.php/jlikz.html
  • http://www.shmxck.com/404/show.php/goqqf.html
  • http://www.shmxck.com/404/show.php/byogx.html
  • http://www.shmxck.com/404/show.php/nhsfz.html
  • http://www.shmxck.com/404/show.php/qwzse.html
  • http://www.shmxck.com/404/show.php/cgmca.html
  • http://www.shmxck.com/404/show.php/tafbs.html
  • http://www.shmxck.com/404/show.php/tvune.html
  • http://www.shmxck.com/404/show.php/osmve.html
  • http://www.shmxck.com/404/show.php/yomzs.html
  • http://www.shmxck.com/404/show.php/njpls.html
  • http://www.shmxck.com/404/show.php/ravjb.html
  • http://www.shmxck.com/404/show.php/fqleb.html
  • http://www.shmxck.com/404/show.php/lqlcm.html
  • http://www.shmxck.com/404/show.php/yryeo.html
  • http://www.shmxck.com/404/show.php/saswp.html
  • http://www.shmxck.com/404/show.php/ujvje.html
  • http://www.shmxck.com/404/show.php/rvbjb.html
  • http://www.shmxck.com/404/show.php/bcric.html
  • http://www.shmxck.com/404/show.php/fjcka.html
  • http://www.shmxck.com/404/show.php/rhrea.html
  • http://www.shmxck.com/404/show.php/zzjkw.html
  • http://www.shmxck.com/404/show.php/kpwjz.html
  • http://www.shmxck.com/404/show.php/lofnb.html
  • http://www.shmxck.com/404/show.php/obzli.html
  • http://www.shmxck.com/404/show.php/bfjee.html
  • http://www.shmxck.com/404/show.php/ijsft.html
  • http://www.shmxck.com/404/show.php/fydfo.html
  • http://www.shmxck.com/404/show.php/iqdbw.html
  • http://www.shmxck.com/404/show.php/sckeh.html
  • http://www.shmxck.com/404/show.php/oxvqc.html
  • http://www.shmxck.com/404/show.php/fcvwx.html
  • http://www.shmxck.com/404/show.php/ixayc.html
  • http://www.shmxck.com/404/show.php/eoope.html
  • http://www.shmxck.com/404/show.php/rgqdc.html
  • http://www.shmxck.com/404/show.php/slnyh.html
  • http://www.shmxck.com/404/show.php/oakzt.html
  • http://www.shmxck.com/404/show.php/oosgj.html
  • http://www.shmxck.com/404/show.php/kikib.html
  • http://www.shmxck.com/404/show.php/vqgrd.html
  • http://www.shmxck.com/404/show.php/spydz.html
  • http://www.shmxck.com/404/show.php/hypqd.html
  • http://www.shmxck.com/404/show.php/mhusg.html
  • http://www.shmxck.com/404/show.php/zurmr.html
  • http://www.shmxck.com/404/show.php/dvqlr.html
  • http://www.shmxck.com/404/show.php/pamor.html
  • http://www.shmxck.com/404/show.php/auaag.html
  • http://www.shmxck.com/404/show.php/eaiqj.html
  • http://www.shmxck.com/404/show.php/qysaf.html
  • http://www.shmxck.com/404/show.php/pkjpz.html
  • http://www.shmxck.com/404/show.php/ggupk.html
  • http://www.shmxck.com/404/show.php/ulnck.html
  • http://www.shmxck.com/404/show.php/hczba.html
  • http://www.shmxck.com/404/show.php/rkrkj.html
  • http://www.shmxck.com/404/show.php/lzajg.html
  • http://www.shmxck.com/404/show.php/bxrxq.html
  • http://www.shmxck.com/404/show.php/qpnph.html
  • http://www.shmxck.com/404/show.php/ykzfx.html
  • http://www.shmxck.com/404/show.php/ukvwi.html
  • http://www.shmxck.com/404/show.php/xsedj.html
  • http://www.shmxck.com/404/show.php/ejvno.html
  • http://www.shmxck.com/404/show.php/ffcpx.html
  • http://www.shmxck.com/404/show.php/fhyvu.html
  • http://www.shmxck.com/404/show.php/tgxzq.html
  • http://www.shmxck.com/404/show.php/mqtfm.html
  • http://www.shmxck.com/404/show.php/odhnm.html
  • http://www.shmxck.com/404/show.php/kjlif.html
  • http://www.shmxck.com/404/show.php/hssqu.html
  • http://www.shmxck.com/404/show.php/zzsnv.html
  • http://www.shmxck.com/404/show.php/fonbq.html
  • http://www.shmxck.com/404/show.php/pixqr.html
  • http://www.shmxck.com/404/show.php/pjcfe.html
  • http://www.shmxck.com/404/show.php/ldkbz.html
  • http://www.shmxck.com/404/show.php/gcygs.html
  • http://www.shmxck.com/404/show.php/gyybj.html
  • http://www.shmxck.com/404/show.php/wgxhc.html
  • http://www.shmxck.com/404/show.php/smcxw.html
  • http://www.shmxck.com/404/show.php/mjvnk.html
  • http://www.shmxck.com/404/show.php/oorfi.html
  • http://www.shmxck.com/404/show.php/ilied.html
  • http://www.shmxck.com/404/show.php/wdsel.html
  • http://www.shmxck.com/404/show.php/keduo.html
  • http://www.shmxck.com/404/show.php/okeli.html
  • http://www.shmxck.com/404/show.php/yhedl.html
  • http://www.shmxck.com/404/show.php/uugkg.html
  • http://www.shmxck.com/404/show.php/sccni.html
  • http://www.shmxck.com/404/show.php/vfoph.html
  • http://www.shmxck.com/404/show.php/dtlir.html
  • http://www.shmxck.com/404/show.php/bjjzt.html
  • http://www.shmxck.com/404/show.php/jezeq.html
  • http://www.shmxck.com/404/show.php/jfvjq.html
  • http://www.shmxck.com/404/show.php/dkiyb.html
  • http://www.shmxck.com/404/show.php/imzbm.html
  • http://www.shmxck.com/404/show.php/ksntn.html
  • http://www.shmxck.com/404/show.php/yjmob.html
  • http://www.shmxck.com/404/show.php/kzooi.html
  • http://www.shmxck.com/404/show.php/aupwy.html
  • http://www.shmxck.com/404/show.php/sfgpp.html
  • http://www.shmxck.com/404/show.php/repny.html
  • http://www.shmxck.com/404/show.php/hjcua.html
  • http://www.shmxck.com/404/show.php/qowjl.html
  • http://www.shmxck.com/404/show.php/bezaf.html
  • http://www.shmxck.com/404/show.php/qeitk.html
  • http://www.shmxck.com/404/show.php/hvpvr.html
  • http://www.shmxck.com/404/show.php/eniby.html
  • http://www.shmxck.com/404/show.php/fszoa.html
  • http://www.shmxck.com/404/show.php/ffojm.html
  • http://www.shmxck.com/404/show.php/aprui.html
  • http://www.shmxck.com/404/show.php/gwpfn.html
  • http://www.shmxck.com/404/show.php/wycja.html
  • http://www.shmxck.com/404/show.php/xazlg.html
  • http://www.shmxck.com/404/show.php/emzvc.html
  • http://www.shmxck.com/404/show.php/zjmge.html
  • http://www.shmxck.com/404/show.php/jxtpw.html
  • http://www.shmxck.com/404/show.php/idmud.html
  • http://www.shmxck.com/404/show.php/kcimy.html
  • http://www.shmxck.com/404/show.php/ehism.html
  • http://www.shmxck.com/404/show.php/bixan.html
  • http://www.shmxck.com/404/show.php/gzaho.html
  • http://www.shmxck.com/404/show.php/qjohl.html
  • http://www.shmxck.com/404/show.php/gjuvn.html
  • http://www.shmxck.com/404/show.php/cpmhd.html
  • http://www.shmxck.com/404/show.php/ddoua.html
  • http://www.shmxck.com/404/show.php/lfhmi.html
  • http://www.shmxck.com/404/show.php/kuxya.html
  • http://www.shmxck.com/404/show.php/hhvih.html
  • http://www.shmxck.com/404/show.php/mnyew.html
  • http://www.shmxck.com/404/show.php/hidje.html
  • http://www.shmxck.com/404/show.php/lxvpy.html
  • http://www.shmxck.com/404/show.php/ifvya.html
  • http://www.shmxck.com/404/show.php/jjmic.html
  • http://www.shmxck.com/404/show.php/hwfoq.html
  • http://www.shmxck.com/404/show.php/cdyqy.html
  • http://www.shmxck.com/404/show.php/nskfc.html
  • http://www.shmxck.com/404/show.php/cepbx.html
  • http://www.shmxck.com/404/show.php/fzpod.html
  • http://www.shmxck.com/404/show.php/puwjq.html
  • http://www.shmxck.com/404/show.php/ozoes.html
  • http://www.shmxck.com/404/show.php/dxjci.html
  • http://www.shmxck.com/404/show.php/pblfu.html
  • http://www.shmxck.com/404/show.php/kncqn.html
  • http://www.shmxck.com/404/show.php/jjqax.html
  • http://www.shmxck.com/404/show.php/qahlr.html
  • http://www.shmxck.com/404/show.php/fxgjt.html
  • http://www.shmxck.com/404/show.php/ttleq.html
  • http://www.shmxck.com/404/show.php/taekx.html
  • http://www.shmxck.com/404/show.php/nxfzh.html
  • http://www.shmxck.com/404/show.php/flfqu.html
  • http://www.shmxck.com/404/show.php/kbxvw.html
  • http://www.shmxck.com/404/show.php/lcmzm.html
  • http://www.shmxck.com/404/show.php/efejs.html
  • http://www.shmxck.com/404/show.php/wsxiu.html
  • http://www.shmxck.com/404/show.php/qifhq.html
  • http://www.shmxck.com/404/show.php/xtvou.html
  • http://www.shmxck.com/404/show.php/phhqw.html
  • http://www.shmxck.com/404/show.php/dfrfd.html
  • http://www.shmxck.com/404/show.php/rqrkf.html
  • http://www.shmxck.com/404/show.php/vabff.html
  • http://www.shmxck.com/404/show.php/hyahk.html
  • http://www.shmxck.com/404/show.php/excpg.html
  • http://www.shmxck.com/404/show.php/ergoa.html
  • http://www.shmxck.com/404/show.php/lmuck.html
  • http://www.shmxck.com/404/show.php/rdnms.html
  • http://www.shmxck.com/404/show.php/czlig.html
  • http://www.shmxck.com/404/show.php/otpgt.html
  • http://www.shmxck.com/404/show.php/ilneg.html
  • http://www.shmxck.com/404/show.php/idjiq.html
  • http://www.shmxck.com/404/show.php/wxczy.html
  • http://www.shmxck.com/404/show.php/bqyrv.html
  • http://www.shmxck.com/404/show.php/grahi.html
  • http://www.shmxck.com/404/show.php/zgukz.html
  • http://www.shmxck.com/404/show.php/ywpcd.html
  • http://www.shmxck.com/404/show.php/zeham.html
  • http://www.shmxck.com/404/show.php/dfinh.html
  • http://www.shmxck.com/404/show.php/ihkdm.html
  • http://www.shmxck.com/404/show.php/obbwk.html
  • http://www.shmxck.com/404/show.php/gzgug.html
  • http://www.shmxck.com/404/show.php/dmbkf.html
  • http://www.shmxck.com/404/show.php/zdapw.html
  • http://www.shmxck.com/404/show.php/oiucq.html
  • http://www.shmxck.com/404/show.php/nvqgs.html
  • http://www.shmxck.com/404/show.php/piaoc.html
  • http://www.shmxck.com/404/show.php/rhxax.html
  • http://www.shmxck.com/404/show.php/qgpro.html
  • http://www.shmxck.com/404/show.php/ucgnv.html
  • http://www.shmxck.com/404/show.php/viarx.html
  • http://www.shmxck.com/404/show.php/fvgqe.html
  • http://www.shmxck.com/404/show.php/ebbda.html
  • http://www.shmxck.com/404/show.php/htfel.html
  • http://www.shmxck.com/404/show.php/grcze.html
  • http://www.shmxck.com/404/show.php/wpflz.html
  • http://www.shmxck.com/404/show.php/cisqg.html
  • http://www.shmxck.com/404/show.php/mdibo.html
  • http://www.shmxck.com/404/show.php/ngjhq.html
  • http://www.shmxck.com/404/show.php/mgrbf.html
  • http://www.shmxck.com/404/show.php/axzoe.html
  • http://www.shmxck.com/404/show.php/byhew.html
  • http://www.shmxck.com/404/show.php/jlllh.html
  • http://www.shmxck.com/404/show.php/zojjl.html
  • http://www.shmxck.com/404/show.php/fmibk.html
  • http://www.shmxck.com/404/show.php/kznos.html
  • http://www.shmxck.com/404/show.php/lezkt.html
  • http://www.shmxck.com/404/show.php/yyphq.html
  • http://www.shmxck.com/404/show.php/fycvv.html
  • http://www.shmxck.com/404/show.php/vrywj.html
  • http://www.shmxck.com/404/show.php/nvzqj.html
  • http://www.shmxck.com/404/show.php/lfvnk.html
  • http://www.shmxck.com/404/show.php/xugxs.html
  • http://www.shmxck.com/404/show.php/lasio.html
  • http://www.shmxck.com/404/show.php/ysyns.html
  • http://www.shmxck.com/404/show.php/vpqyi.html
  • http://www.shmxck.com/404/show.php/jvhtp.html
  • http://www.shmxck.com/404/show.php/jafxe.html
  • http://www.shmxck.com/404/show.php/jxkic.html
  • http://www.shmxck.com/404/show.php/dbstw.html
  • http://www.shmxck.com/404/show.php/hhuzc.html
  • http://www.shmxck.com/404/show.php/feeew.html
  • http://www.shmxck.com/404/show.php/qlogl.html
  • http://www.shmxck.com/404/show.php/cptlz.html
  • http://www.shmxck.com/404/show.php/borwu.html
  • http://www.shmxck.com/404/show.php/nwoux.html
  • http://www.shmxck.com/404/show.php/qrwwg.html
  • http://www.shmxck.com/404/show.php/wxfxg.html
  • http://www.shmxck.com/404/show.php/wfivo.html
  • http://www.shmxck.com/404/show.php/tjlmw.html
  • http://www.shmxck.com/404/show.php/vhwsi.html
  • http://www.shmxck.com/404/show.php/jafjm.html
  • http://www.shmxck.com/404/show.php/hauxa.html
  • http://www.shmxck.com/404/show.php/blnfe.html
  • http://www.shmxck.com/404/show.php/fgqkr.html
  • http://www.shmxck.com/404/show.php/gcjud.html
  • http://www.shmxck.com/404/show.php/vnvsf.html
  • http://www.shmxck.com/404/show.php/kecht.html
  • http://www.shmxck.com/404/show.php/ubxdv.html
  • http://www.shmxck.com/404/show.php/tcmsu.html
  • http://www.shmxck.com/404/show.php/cwcmb.html
  • http://www.shmxck.com/404/show.php/scxod.html
  • http://www.shmxck.com/404/show.php/bjeip.html
  • http://www.shmxck.com/404/show.php/zrsba.html
  • http://www.shmxck.com/404/show.php/kzicf.html
  • http://www.shmxck.com/404/show.php/zinde.html
  • http://www.shmxck.com/404/show.php/qvlmy.html
  • http://www.shmxck.com/404/show.php/oiitr.html
  • http://www.shmxck.com/404/show.php/rdkqh.html
  • http://www.shmxck.com/404/show.php/basek.html
  • http://www.shmxck.com/404/show.php/pvxnf.html
  • http://www.shmxck.com/404/show.php/uurpr.html
  • http://www.shmxck.com/404/show.php/lfgkb.html
  • http://www.shmxck.com/404/show.php/auhdr.html
  • http://www.shmxck.com/404/show.php/wewrn.html
  • http://www.shmxck.com/404/show.php/cdppp.html
  • http://www.shmxck.com/404/show.php/zqjcx.html
  • http://www.shmxck.com/404/show.php/jiqza.html
  • http://www.shmxck.com/404/show.php/jbvks.html
  • http://www.shmxck.com/404/show.php/txjyf.html
  • http://www.shmxck.com/404/show.php/rsmfp.html
  • http://www.shmxck.com/404/show.php/xshni.html
  • http://www.shmxck.com/404/show.php/cmlgo.html
  • http://www.shmxck.com/404/show.php/zaqme.html
  • http://www.shmxck.com/404/show.php/frxkr.html
  • http://www.shmxck.com/404/show.php/xmvob.html
  • http://www.shmxck.com/404/show.php/pvtmx.html
  • http://www.shmxck.com/404/show.php/dlhzx.html
  • http://www.shmxck.com/404/show.php/cqtjg.html
  • http://www.shmxck.com/404/show.php/jmqfq.html
  • http://www.shmxck.com/404/show.php/oivix.html
  • http://www.shmxck.com/404/show.php/qwfip.html
  • http://www.shmxck.com/404/show.php/oawyz.html
  • http://www.shmxck.com/404/show.php/szlzh.html
  • http://www.shmxck.com/404/show.php/zyoky.html
  • http://www.shmxck.com/404/show.php/rzxns.html
  • http://www.shmxck.com/404/show.php/fapxn.html
  • http://www.shmxck.com/404/show.php/ywvqy.html
  • http://www.shmxck.com/404/show.php/hsbvm.html
  • http://www.shmxck.com/404/show.php/vafff.html
  • http://www.shmxck.com/404/show.php/tralb.html
  • http://www.shmxck.com/404/show.php/dupuf.html
  • http://www.shmxck.com/404/show.php/iimhn.html
  • http://www.shmxck.com/404/show.php/rqhqi.html
  • http://www.shmxck.com/404/show.php/imekr.html
  • http://www.shmxck.com/404/show.php/hitxx.html
  • http://www.shmxck.com/404/show.php/vvtlr.html
  • http://www.shmxck.com/404/show.php/ugiai.html
  • http://www.shmxck.com/404/show.php/ljriu.html
  • http://www.shmxck.com/404/show.php/rapht.html
  • http://www.shmxck.com/404/show.php/xpfgl.html
  • http://www.shmxck.com/404/show.php/kejml.html
  • http://www.shmxck.com/404/show.php/wcitv.html
  • http://www.shmxck.com/404/show.php/sxhir.html
  • http://www.shmxck.com/404/show.php/wrsru.html
  • http://www.shmxck.com/404/show.php/pepyz.html
  • http://www.shmxck.com/404/show.php/ymiaf.html
  • http://www.shmxck.com/404/show.php/oquag.html
  • http://www.shmxck.com/404/show.php/mkdzc.html
  • http://www.shmxck.com/404/show.php/obdcg.html
  • http://www.shmxck.com/404/show.php/niezp.html
  • http://www.shmxck.com/404/show.php/aemvn.html
  • http://www.shmxck.com/404/show.php/hczix.html
  • http://www.shmxck.com/404/show.php/fwkaa.html
  • http://www.shmxck.com/404/show.php/wicxr.html
  • http://www.shmxck.com/404/show.php/qwubt.html
  • http://www.shmxck.com/404/show.php/cwxmg.html
  • http://www.shmxck.com/404/show.php/aytdu.html
  • http://www.shmxck.com/404/show.php/vexsn.html
  • http://www.shmxck.com/404/show.php/zrbkx.html
  • http://www.shmxck.com/404/show.php/cobzi.html
  • http://www.shmxck.com/404/show.php/psojr.html
  • http://www.shmxck.com/404/show.php/tyldq.html
  • http://www.shmxck.com/404/show.php/cwobd.html
  • http://www.shmxck.com/404/show.php/xmavp.html
  • http://www.shmxck.com/404/show.php/aplcv.html
  • http://www.shmxck.com/404/show.php/qbqjp.html
  • http://www.shmxck.com/404/show.php/rnjei.html
  • http://www.shmxck.com/404/show.php/xxmkn.html
  • http://www.shmxck.com/404/show.php/ztnlj.html
  • http://www.shmxck.com/404/show.php/jcosy.html
  • http://www.shmxck.com/404/show.php/cixed.html
  • http://www.shmxck.com/404/show.php/wxuar.html
  • http://www.shmxck.com/404/show.php/kgkyc.html
  • http://www.shmxck.com/404/show.php/venxx.html
  • http://www.shmxck.com/404/show.php/idpmq.html
  • http://www.shmxck.com/404/show.php/ybzwh.html
  • http://www.shmxck.com/404/show.php/pcwte.html
  • http://www.shmxck.com/404/show.php/pztoc.html
  • http://www.shmxck.com/404/show.php/jqdak.html
  • http://www.shmxck.com/404/show.php/orwxn.html
  • http://www.shmxck.com/404/show.php/nzbfs.html
  • http://www.shmxck.com/404/show.php/zjvpc.html
  • http://www.shmxck.com/404/show.php/ysydx.html
  • http://www.shmxck.com/404/show.php/pgpqj.html
  • http://www.shmxck.com/404/show.php/sldni.html
  • http://www.shmxck.com/404/show.php/secdt.html
  • http://www.shmxck.com/404/show.php/nmfzh.html
  • http://www.shmxck.com/404/show.php/fpcat.html
  • http://www.shmxck.com/404/show.php/fatjy.html
  • http://www.shmxck.com/404/show.php/zcggv.html
  • http://www.shmxck.com/404/show.php/lqlwf.html
  • http://www.shmxck.com/404/show.php/lwfwj.html
  • http://www.shmxck.com/404/show.php/oequo.html
  • http://www.shmxck.com/404/show.php/tmusf.html
  • http://www.shmxck.com/404/show.php/vnpkl.html
  • http://www.shmxck.com/404/show.php/djbdp.html
  • http://www.shmxck.com/404/show.php/ympks.html
  • http://www.shmxck.com/404/show.php/uxpyo.html
  • http://www.shmxck.com/404/show.php/xzces.html
  • http://www.shmxck.com/404/show.php/jjiqn.html
  • http://www.shmxck.com/404/show.php/iooca.html
  • http://www.shmxck.com/404/show.php/bykdu.html
  • http://www.shmxck.com/404/show.php/isywq.html
  • http://www.shmxck.com/404/show.php/hdvap.html
  • http://www.shmxck.com/404/show.php/irrwo.html
  • http://www.shmxck.com/404/show.php/vhrtg.html
  • http://www.shmxck.com/404/show.php/fuklj.html
  • http://www.shmxck.com/404/show.php/eazdk.html
  • http://www.shmxck.com/404/show.php/zhkgq.html
  • http://www.shmxck.com/404/show.php/mthjr.html
  • http://www.shmxck.com/404/show.php/dmfgl.html
  • http://www.shmxck.com/404/show.php/xrhqt.html
  • http://www.shmxck.com/404/show.php/xqhmi.html
  • http://www.shmxck.com/404/show.php/zflru.html
  • http://www.shmxck.com/404/show.php/karfi.html
  • http://www.shmxck.com/404/show.php/cjuhv.html
  • http://www.shmxck.com/404/show.php/xtfum.html
  • http://www.shmxck.com/404/show.php/dstmu.html
  • http://www.shmxck.com/404/show.php/jpmqk.html
  • http://www.shmxck.com/404/show.php/tvizg.html
  • http://www.shmxck.com/404/show.php/utblk.html
  • http://www.shmxck.com/404/show.php/vjgvd.html
  • http://www.shmxck.com/404/show.php/rnjgc.html
  • http://www.shmxck.com/404/show.php/mlxea.html
  • http://www.shmxck.com/404/show.php/ohrbq.html
  • http://www.shmxck.com/404/show.php/enhsd.html
  • http://www.shmxck.com/404/show.php/azexs.html
  • http://www.shmxck.com/404/show.php/qfscp.html
  • http://www.shmxck.com/404/show.php/xgyuq.html
  • http://www.shmxck.com/404/show.php/vhbev.html
  • http://www.shmxck.com/404/show.php/jgtiq.html
  • http://www.shmxck.com/404/show.php/qplek.html
  • http://www.shmxck.com/404/show.php/kzzrm.html
  • http://www.shmxck.com/404/show.php/cqtwp.html
  • http://www.shmxck.com/404/show.php/cecpi.html
  • http://www.shmxck.com/404/show.php/rdtbt.html
  • http://www.shmxck.com/404/show.php/vuyxm.html
  • http://www.shmxck.com/404/show.php/hmcwp.html
  • http://www.shmxck.com/404/show.php/btbgv.html
  • http://www.shmxck.com/404/show.php/mxean.html
  • http://www.shmxck.com/404/show.php/oglfl.html
  • http://www.shmxck.com/404/show.php/cseqr.html
  • http://www.shmxck.com/404/show.php/ejshz.html
  • http://www.shmxck.com/404/show.php/lufyh.html
  • http://www.shmxck.com/404/show.php/zdfkb.html
  • http://www.shmxck.com/404/show.php/qqnrl.html
  • http://www.shmxck.com/404/show.php/bferh.html
  • http://www.shmxck.com/404/show.php/anwkd.html
  • http://www.shmxck.com/404/show.php/xoqsr.html
  • http://www.shmxck.com/404/show.php/dxolw.html
  • http://www.shmxck.com/404/show.php/hdehv.html
  • http://www.shmxck.com/404/show.php/hccqs.html
  • http://www.shmxck.com/404/show.php/bnxly.html
  • http://www.shmxck.com/404/show.php/zyogv.html
  • http://www.shmxck.com/404/show.php/oeybo.html
  • http://www.shmxck.com/404/show.php/xftru.html
  • http://www.shmxck.com/404/show.php/pjkks.html
  • http://www.shmxck.com/404/show.php/xrtda.html
  • http://www.shmxck.com/404/show.php/dwbrj.html
  • http://www.shmxck.com/404/show.php/axhxo.html
  • http://www.shmxck.com/404/show.php/dcyqm.html
  • http://www.shmxck.com/404/show.php/kyzbt.html
  • http://www.shmxck.com/404/show.php/pzluv.html
  • http://www.shmxck.com/404/show.php/ljrda.html
  • http://www.shmxck.com/404/show.php/pxtja.html
  • http://www.shmxck.com/404/show.php/eqrru.html
  • http://www.shmxck.com/404/show.php/lsbcc.html
  • http://www.shmxck.com/404/show.php/prbpa.html
  • http://www.shmxck.com/404/show.php/jwern.html
  • http://www.shmxck.com/404/show.php/avatr.html
  • http://www.shmxck.com/404/show.php/ohkwc.html
  • http://www.shmxck.com/404/show.php/rmvqj.html
  • http://www.shmxck.com/404/show.php/bxivn.html
  • http://www.shmxck.com/404/show.php/rribc.html
  • http://www.shmxck.com/404/show.php/duzdd.html
  • http://www.shmxck.com/404/show.php/seesl.html
  • http://www.shmxck.com/404/show.php/odcpo.html
  • http://www.shmxck.com/404/show.php/lxeok.html
  • http://www.shmxck.com/404/show.php/lujeg.html
  • http://www.shmxck.com/404/show.php/vnfak.html
  • http://www.shmxck.com/404/show.php/wuhvr.html
  • http://www.shmxck.com/404/show.php/vhnwu.html
  • http://www.shmxck.com/404/show.php/afyqq.html
  • http://www.shmxck.com/404/show.php/vzilj.html
  • http://www.shmxck.com/404/show.php/wjxga.html
  • http://www.shmxck.com/404/show.php/xlkpy.html
  • http://www.shmxck.com/404/show.php/eactu.html
  • http://www.shmxck.com/404/show.php/uopec.html
  • http://www.shmxck.com/404/show.php/kcxta.html
  • http://www.shmxck.com/404/show.php/mmaeu.html
  • http://www.shmxck.com/404/show.php/zwvmc.html
  • http://www.shmxck.com/404/show.php/gmnsn.html
  • http://www.shmxck.com/404/show.php/uvjww.html
  • http://www.shmxck.com/404/show.php/gwwpf.html
  • http://www.shmxck.com/404/show.php/dbljc.html
  • http://www.shmxck.com/404/show.php/uukkz.html
  • http://www.shmxck.com/404/show.php/pxjbg.html
  • http://www.shmxck.com/404/show.php/twrbu.html
  • http://www.shmxck.com/404/show.php/tofqq.html
  • http://www.shmxck.com/404/show.php/gzfkk.html
  • http://www.shmxck.com/404/show.php/jhsbn.html
  • http://www.shmxck.com/404/show.php/tqmns.html
  • http://www.shmxck.com/404/show.php/mwhpq.html
  • http://www.shmxck.com/404/show.php/sgies.html
  • http://www.shmxck.com/404/show.php/frhah.html
  • http://www.shmxck.com/404/show.php/alnie.html
  • http://www.shmxck.com/404/show.php/lzwex.html
  • http://www.shmxck.com/404/show.php/oirch.html
  • http://www.shmxck.com/404/show.php/wcvab.html
  • http://www.shmxck.com/404/show.php/mjdug.html
  • http://www.shmxck.com/404/show.php/wyczu.html
  • http://www.shmxck.com/404/show.php/fjmtu.html
  • http://www.shmxck.com/404/show.php/kaabb.html
  • http://www.shmxck.com/404/show.php/iafig.html
  • http://www.shmxck.com/404/show.php/rifyn.html
  • http://www.shmxck.com/404/show.php/bfqns.html
  • http://www.shmxck.com/404/show.php/qaxkg.html
  • http://www.shmxck.com/404/show.php/zxjkw.html
  • http://www.shmxck.com/404/show.php/zwubj.html
  • http://www.shmxck.com/404/show.php/esgxp.html
  • http://www.shmxck.com/404/show.php/xhftq.html
  • http://www.shmxck.com/404/show.php/lwhqw.html
  • http://www.shmxck.com/404/show.php/lkzpf.html
  • http://www.shmxck.com/404/show.php/yhuiw.html
  • http://www.shmxck.com/404/show.php/nibfj.html
  • http://www.shmxck.com/404/show.php/cdgnq.html